三通高平臺內螺紋球閥
產品名稱:三通高平臺內螺紋球閥
產品詳情

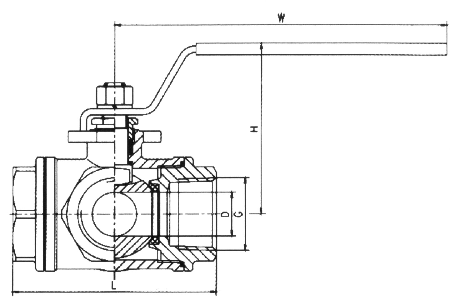
主要外形尺寸 Main outer size
DN | G | L | d | H | W |
8 | 1/4” | 71 | 10 | 56 | 110 |
10 | 3/8” | 71 | 12 | 56 | 110 |
15 | 1/2” | 74 | 12 | 58 | 110 |
20 | 3/4” | 88 | 15 | 60 | 120 |
25 | 1” | 92 | 20 | 70 | 140 |
32 | 11/4” | 124 | 25 | 82 | 140 |
40 | 11/2” | 138 | 32 | 95 | 180 |
50 | 2” | 154 | 38 | 100 | 200 |